2/3-Wege Umschaltventile Aqua-Valve 5 (H176)

AQUA-VALVE 5 – 2-Wege-Ventil
1/2“ Zoll IG
(KP09107)
3/4“ Zoll IG
(KP09108)
1“ Zoll IG
(KP09109)

AQUA-VALVE 5 – 3-Wege-Ventil
1/2“ Zoll IG
(KP091013)
3/4“ Zoll IG
(KP091014)

AQUA-VALVE 5 BV-Serie – 2-Wege-Ventil
1 1/4“ Zoll IG
(KP091010)
1 1/2“ Zoll IG
(KP091011)
2“ Zoll IG
(KP091012)

AQUA-VALVE 5 BV-Serie – 3-Wege-Ventil
1/2“ Zoll IG
(KP091015)
3/4“ Zoll IG
(KP091016)
1“ Zoll IG
(KP091017)
1 1/4“ Zoll IG
(KP091018)
1 1/2“ Zoll IG
(KP091019)
Symbole für Sicherheitshinweise und Warnungen
![]() | ![]() |
| Bitte lesen Sie vor Inbetriebnahme die Anleitung | Allgemeines Warnzeichen |
![]() | ![]() |
| Netzstecker ziehen | Warnung vor elektrischer Spannung |
1. Vorwort
Zum Kauf unseres Umschaltventils möchten wir Sie recht herzlich beglückwünschen. Wir wissen Ihr Vertrauen zu schätzen. Aus diesem Grund stehen bei uns Funktions- und Betriebssicherheit an erster Stelle.

Um Personen- und Sachschäden zu vermeiden, lesen Sie die vorliegende Bedienungsanleitung bitte aufmerksam durch. Bitte beachten Sie alle Sicherheitshinweise und Anweisungen zum sachgemäßen Gebrauch der Pumpe. Eine Nichtbeachtung der Anweisungen und Sicherheitshinweise können zu körperlichen Schäden oder zu Sachschäden führen. Bitte bewahren Sie die Bedienungsanleitung mit den Anweisungen und Sicherheitshinweisen sorgfältig auf, um jederzeit darauf zurückgreifen zu können.
2. Unternehmens-Kodex
Unser Grundsatz ist: Wir sehen Sie als unseren Partner, der uns und unseren Produkten sein Vertrauen geschenkt hat. Wir schätzen das sehr. Wir werden mit Ihnen respektvoll und fair jedes Problem lösen. Im Umgang mit Technik können Probleme auftreten, für die weder wir als Fachmann noch Sie als Laie verantwortlich sind. Aus diesem Grund lesen Sie sich diese Anleitung genau durch. Sollte Ihnen etwas nicht ganz verständlich sein, kontaktieren Sie uns, bevor Sie das Produkt installieren und in Betrieb nehmen. Schauen Sie sich unsere Clips zur richtigen Verwendung der Produkte an. Informieren Sie sich aus anderen Quellen. So können Missverständnisse und spätere Probleme von Anfang an vermieden werden. Sollten Probleme auftreten, so versuchen wir in gegenseitigem Respekt eine faire Lösung für beide Seiten zu finden.
3. Allgemeines
Unsere Produkte sind nach dem neuesten Stand der Technik entwickelt, mit größter Sorgfalt gefertigt und unterliegen strengen Qualitätskontrollen. Vergewissern Sie sich nach dem Auspacken, dass die auf dem Typenschild und in der Einbauanleitung angegebenen Daten mit den vorgesehenen Betriebsbedingungen übereinstimmen. Im Zweifelsfall ist der Betrieb zu unterlassen.
Transportschäden sind unverzüglich dem Speditionsunternehmen und uns schriftlich mitzuteilen. Bei Versand durch DHL sind Transportschäden innerhalb von 7 Tagen bei der Post anzuzeigen.
4. Anwendungsbereiche
Die AQUA VALVE / AQUA VALVE BV Serie dient zur Steuerung des Ein- und Ausschaltens der Wasserzufuhr in Heizungs-, Lüftungs- und Klimaanlagen. Sie bestehen aus einem Ventilkörper und einem Stellantrieb. Diese können einfach und schnell voneinander getrennt sowie wieder zusammengefügt werden, was im Servicefall besonders wichtig ist. Die beiden Ventil-Stellungen werden durch einen zuverlässigen Synchron-Motor bewerkstelligt.
Die Motoransteuerung erfolgt über einen Wechselschalter. Der Antrieb läuft jeweils von einem Endpunkt zum anderen Endpunkt und schaltet dann den Motor ab. Bei Stromausfall, bleibt der Motor in der Stellung stehen, in der er sich gerade befindet.
Die Umschaltventile sind ausschließlich für nicht abrasives (mechanisch/chemisch) Klarwasser ohne Ablagerungen und sonstigen Schmutz einzusetzen. Bei Schmutzpartikeln muss ein wirksamer Vorfilter mit Maschenweite nicht gröber als 0,1mm vor dem Gerät eingebaut werden.
5. Installation
- Der Stellantrieb sollte waagerecht und stets über dem Ventilkörper installiert werden, damit evtl. austretendes Wasser nicht in die Elektronik gelangt und diese beschädigt.
- Bei der Montage darf der Stellantrieb keinem starken Druck ausgesetzt werden.
- Das Schraubgewinde des Ventils entspricht dem internationalen Standard. Verwenden Sie keine konischem Schrauben, um das Ventil anzuschließen.
- Vor der Installation müssen das Ventil und die Rohrleitung gesäubert werden werden. Bitte stellen Sie sicher, dass sich keine Kleinteile/Schmutz im System befinden
- Das Ventil sollte waagerecht oder vertikal installiert werden. Eine Überkopfmontage ist nicht erlaubt.
- Den Stellantrieb nicht abdecken, um ein Überhitzen des Geräts zu vermeiden.
HInweis:
Bei Beschädigungen auf Grund unsachgemäßer Installation oder Fahrlässigkeit, entfällt die Gewährleistung (siehe auch Punkt 9 „Garantiebestimmungen“).
6. Inbetriebnahme

Die Installation ist von einer qualifizierten Fachkraft auszuführen.
Bitte überprüfen Sie vor jeder Inbetriebnahme die elektrischen Anschlüsse sowie das Kabel auf Unversehrtheit. Bitte prüfen Sie vor der Installation, ob der elektrische Anschluss entsprechend der gesetzlichen Vorschriften geerdet und installiert ist.
Es ist NICHT zu empfehlen, selbst Kabelverlängerungen oder andere technische Modifikationen durch-
zuführen. Erstens ist nicht sichergestellt, ob diese Veränderungen technisch einwandfrei sind und zweitens kann dadurch keine Garantie gewährt werden.
Montage von Stellmotor und Ventil
Drücken Sie die konvexe Platte des Stellantriebs in die Nut des Ventilkörpers.

Schrauben Sie die Mutter des Stellantriebs in Pfeilrichtung bis zum Anschlag.

7. Sicherheitshinweise
Unbedingt geltende Vorschriften zur elektrischen Sicherheit befolgen.
Um elektrische Schläge zu vermeiden und Brandgefahr vorzubeugen, ist das Folgende genauestens zu beachten:
- Das Gerät vor jedem Eingriff vom Stromnetz trennen
- Sicherstellen, dass die Anschlussleitung an das Stromnetz und eventuelle Verlängerungen einen Kabelquerschnitt haben, der für die Leistung der Pumpe geeignet ist, sowie dass die elektrischen Anschlüsse nicht vom Wasser erreicht werden können
- Im Fall von Gebrauch in Schwimmbädern, Teichen oder Brunnen immer einen automatischen Differentialschalter (FI) mit lDn=30mA verwenden
- Gerät nicht dauerhaft in der Sonne betreiben (Überhitzungsgefahr).
- Installation nur in frostsicheren Bereichen ohne Kondensatbildung. Somit nicht in Zisternen, Brunnen, Schächten, sonstigen feuchten oder frostgefährdeten Räumen und Behältnissen.
- Der elektrische Anschluss ist stets durch einen autorisierten Fachmann vorzunehmen
Der Betrieb darf nicht durch Kinder und Jugendliche unter 16 Jahren und Personen mit geistiger Behinderung erfolgen
DER HERSTELLER ERKLÄRT,
- Keine Verantwortung im Fall von Unfällen oder Schäden aufgrund von Fahrlässigkeit oder Missachtung der Anweisungen in dieser Anleitung zu übernehmen
- Jede Verantwortung für Schäden, die durch die unsachgemäße Verwendung des Umschaltventils und Missachtung von geltenden EN,- DIN-Normen sowie anderer Normen und Standes der Technik entstehen, abzulehnen
8. Wartung
Es kann gelegentlich vorkommen, dass Schmutz im Ventil hängen bleibt und dieses nicht mehr 100% abdichtet. Als erste Abhilfe sollte immer versucht werden, das Rückschlagventil frei zu spülen. Dazu wird z. B. der gartenseitige Wasserhahn voll aufgedreht, so dass die Pumpe ca. 30 Minuten auf voller Leistung Wasser fördert. Ist anschließend das Takten nicht weg, ist das Gerät zu tauschen. Vor dem Einbau des neuen Gerätes, ist die Pumpe in jedem Fall wie vorher beschrieben, frei zu spülen. Das Öffnen des Gerätes ist unzulässig und führt stets zum Verlust der ggf. bestehenden Garantieansprüche. Darüber hinaus können erhebliche Gefahren beim Betrieb einer taktenden Pumpe entstehen, so dass die Pumpe unter keinen Umständen weiter betrieben werden darf.
Bis zum Geräteaustausch ist die Pumpe außer Betrieb zu setzen. Bei abrasiven Materialien wie Sand, verkürzt sich die Wartungsdauer und die Gerätelebensdauer.
- Folgende Kontrollen sollten regelmäßig durchgeführt werden:
- Funktionsprüfung (mind. alle 3 Monate)
- Unversehrtheit des Stromkabels
- Saubere Führung der Leitungen (z.B. keinen Knick)
- Sauberkeit des Mediums (keinen Sand, keinen Schlamm)
9. Garantiebestimmungen
Für alle Fabrikations- und Materialfehler gilt die gesetzliche Gewährleistung. In diesen Fällen übernehmen wir den Umtausch oder die Reparatur des Geräts. Versandkosten werden von uns nur getragen, soweit dies gesetzlich vorgeschrieben ist.
Im Garantiefall bitte über unsere Serviceplattform http://www.profi-pumpe.de/service.php den Fall anmelden. Dann teilen wir Ihnen die weitere Vorgehensweise fallbezogen mit. Rücksendungen bitte ausreichend frankieren. Unfreie Rücksendungen können leider nicht angenommen werden, da diese vor Zustellung rausgefiltert werden. Unsere Serviceleistung erbringen wir in Deutschland.
Die Garantie gilt nicht bei:
- Unsachgemäßer Installation (Eigeninstallation, nicht autorisierte Personen)
- Materialverschleiß (z.B. Dichtungen) oder Schmutzeintrag in das Gerät
- Unberechtigten Eingriffen oder Veränderungen am Gerät
- Beschädigungen durch Selbstverschulden
- Unsachgemäßer Wartung und unsachgemäßem Betrieb
Außerdem leisten wir keinerlei Schadensersatz für Folgeschäden!
10. Erkennen und Beheben von Fehlern
| Problem | Mögliche Ursache | Lösung |
|---|---|---|
| Ventilöffnungs- und Schließpositionen sind vertauscht | Falsch verkabelt | Ändern Sie die Kabelanschlüsse |
| Der Antrieb läuft nicht | 1. Falsch verkabelt; Schaltung ist durchgebrannt 2. Kondenswasser im Gerät oder der Motor ist beschädigt | 1. Überprüfen Sie die Stromversorgung und die Schaltkreise 2. Tauschen Sie den Antrieb aus |
| Der Anschluss des Schraubgewindes ist beschädigt | 1. Falsche Schraube verwendet 2. Unsachgemäße Installation oder zu stark angezogen | Tauschen Sie den Ventilkörper aus |
| Ventil öffnet oder schließt nicht vollständig | Verschmutzt durch feine Partikel oder schlechte Wasserqualität | Reinigen Sie das Ventil und installieren Sie einen Vorfilter |
11. Hinweise zur Produkthaftung
Wir weisen darauf hin, dass wir nach dem Produkthaftungsgesetz für Schäden, die durch unsere Geräte verursacht werden, nur insofern haften, soweit keine Veränderungen an den Geräten vorgenommen wurden. Falls Reparaturen durch von uns autorisierte Servicewerkstätte vorgenommen werden, haften wir nur insofern, wenn Original-Ersatzteile und Zubehör verwendet wurden.
12. Entsorgungshinweise


Hinweise zur Altgeräte- & Batterie-Entsorgung
Elektro- und Elektronikaltgeräte mit dem Symbol der durchgestrichenen Mülltonne und Batterien dürfen nicht über den Hausmüll entsorgt werden, sondern müssen getrennt gesammelt werden. Verbraucher sind verpflichtet, Altbatterien und Altakkumulatoren (Akkus), die nicht vom Altgerät umschlossen sind und zerstörungsfrei entnommen werden können, vor der Abgabe an einer Rückgabestelle vom Altgerät zu trennen.
Rückgabemöglichkeiten sind unentgeltlich bei kommunalen Sammelstellen wie Wertstoffhöfen sowie an unseren Versandlageradressen (NUR bei über uns gekaufte Geräte) möglich. Nicht gefährliche Altgeräte (frei von Ölen oder auslaufenden Batterien/Akkus) können alternativ, mit dem Hinweis auf Entsorgung, auch an die Versandlageradressen (NUR bei über uns gekaufte Geräte) gesendet werden. Eventuell enthaltene Batterien und Akkus können zusätzlich im stationären Handel (überall dort, wo Batterien verkauft werden) abgeben werden.
Bei der deutschen Registrierungsstelle EAR sind wir unter der WEEE-Nummer DE79535656 gelistet. So tragen Sie zur Erhaltung und zum Schutz unserer Umwelt bei. VIELEN DANK FÜR IHRE UNTERSTÜTZUNG!
13. EU-Konformitätserklärung
Der Unterzeichner Amur S.à r.l., 36, Rue de la Gare, L-5540 Remich bestätigt, dass die umseitig benannten Produkte, nämlich AQUA-VALVE-5, AQUA-VALVE-5 BV SERIE in der in den Verkehr gebrachten Ausführung den unten aufgeführten einschlägigen Bestimmungen, den entsprechenden EU harmonisierten Richtlinien und dem EU-Standard für Sicherheit entsprechen. Diese Konformitätserklärung gilt, insofern an dem Produkt keine Veränderungen vorgenommen werden. Die alleinige Verantwortung für die Ausstellung dieser Konformitätserklärung trägt der Hersteller.
Die alleinige autorisierte Person zur Aufbewahrung der technischen Dokumente:
Amur S.à r.l. · 36, Rue de la Gare · L-5540 Remich
Richtlinie Niederspannung (2014/35/EU)
Richtlinie Elektromagnetische Verträglichkeit (2014/30/EU)

Folgende harmonisierte Normen:
EN 60335-1 :2012+A11 :2014+A13:2017+
A1 :2019+A14:2019+A2:2019
EN 62233:2008
EN IEC 55014-1:2021
EN IEC 61000-3-2:2019+A1:2021
EN61000-3-3:2013+A1:2019+A2:2021+
AC:2022-01
EN IEC 55014-2:2021
Unterzeichnet für und im Namen von:
Amur S.à r.l.
Remich, den 18.02.2026
i.V. Dipl. Phys. Peter Neumüller
Technische Leitung
14. Technische Daten
| AQUA-VALVE 5 2-Wege-Ventil 1/2“ Zoll IG (KP09107) ![]() | AQUA-VALVE 5 2-Wege-Ventil 3/4“ Zoll IG (KP09108) ![]() | AQUA-VALVE 5 2-Wege-Ventil 1“ Zoll IG (KP09109) ![]() | AQUA-VALVE 5 3-Wege-Ventil 1/2“ Zoll IG (KP091013) ![]() | |
|---|---|---|---|---|
| Betriebsspannung | 220/240V | 220/240V | 220/240V | 220/240V |
| Anschlüsse | 1/2“ inch female / Zoll IG | 3/4“ inch female / Zoll IG | 1“ inch female / Zoll IG | 1“ inch female / Zoll IG |
| Wassertemperatur | 1-100°C | 1-100°C | 1-100°C | 1-100°C |
| Öffnen-Schließen | ca. 15s | ca. 15s | ca. 15s | ca. 15s |
| Netzkabel Länge | ca. 15cm | ca. 15cm | ca. 15cm | ca. 15cm |
| Druckklasse | 4bar | 4bar | 4bar | 4bar |
| Maße (LxBxH) | ca. 8×6,3×13,6cm | ca. 8×6,3×12,7cm | ca. 8×6,3×14,3cm | ca. 4,3×5,4x11cm |
| Gewicht | ca. 0,6kg | ca. 0,6kg | ca. 0,7kg | ca. 0,6kg |
| AQUA-VALVE 5 3-Wege-Ventil 3/4“ Zoll IG (KP091014) ![]() | AQUA-VALVE 5 BV Serie 2-Wege-Ventil 1 1/4“ Zoll IG (KP091010) ![]() | AQUA-VALVE 5 BV Serie 2-Wege-Ventil 1 1/2“ Zoll IG (KP091011) ![]() | |
|---|---|---|---|
| Betriebsspannung | 220/240V | 220/240V | 220/240V |
| Anschlüsse | 1 1/4“ inch female / Zoll IG | 1 1/4“ inch female / Zoll IG | 1/2“ inch female / Zoll IG |
| Wassertemperatur | 1-100°C | 1-100°C | 1-100°C |
| Öffnen-Schließen | ca. 15s | ca. 15s | ca. 15s |
| Netzkabel Länge | ca. 15cm | ca. 15cm | ca. 15cm |
| Druckklasse | 4bar | 4bar | 4bar |
| Maße (LxBxH) | ca. 4,3×5,4x11cm | ca. 8×6,3×14,4cm | ca. 4,3×9,5x13cm |
| Gewicht | ca. 0,8 kg | ca. 0,9 kg | ca. 1,0 kg |
| AQUA-VALVE 5 BV Serie 2-Wege-Ventil 2“ Zoll IG (KP091012) ![]() | AQUA-VALVE 5 BV Serie 3-Wege-Ventil 1/2“ Zoll IG (KP091015) ![]() | AQUA-VALVE 5 BV Serie 3-Wege-Ventil 3/4“ Zoll IG (KP091016) ![]() | |
|---|---|---|---|
| Betriebsspannung | 220/240V | 220/240V | 220/240V |
| Anschlüsse | 3/4“ inch female / Zoll IG | 1/2“ inch female / Zoll IG | 3/4“ inch female / Zoll IG |
| Wassertemperatur | 1-100°C | 1-100°C | 1-100°C |
| Öffnen-Schließen | ca. 15s | ca. 15s | ca. 15s |
| Netzkabel Länge | ca. 15cm | ca. 15cm | ca. 15cm |
| Druckklasse | 4bar | 4bar | 4bar |
| Maße (LxBxH) | ca. 4,3x10x13cm | ca. 4,3×5,4×11 cm | ca. 5,6x7x11,5 cm |
| Gewicht | ca. 1,2 kg | ca. 0,6 kg | ca. 0,8 kg |
| AQUA-VALVE 5 BV Serie 3-Wege-Ventil 1“ Zoll IG (KP091017) ![]() | AQUA-VALVE 5 BV Serie 3-Wege-Ventil 1 1/4“ Zoll IG (KP091018) ![]() | AQUA-VALVE 5 BV Serie 3-Wege-Ventil 1 1/2“ Zoll IG (KP091019) ![]() | |
|---|---|---|---|
| Betriebsspannung | 220/240V | 220/240V | 220/240V |
| Anschlüsse | 1“ inch female / Zoll IG | 1 1/4“ inch female / Zoll IG | 1/2“ inch female / Zoll IG |
| Wassertemperatur | 1-100°C | 1-100°C | 1-100°C |
| Öffnen-Schließen | ca. 15s | ca. 15s | ca. 15s |
| Netzkabel Länge | ca. 15cm | ca. 15cm | ca. 15cm |
| Druckklasse | 4bar | 4bar | 4bar |
| Maße (LxBxH) | ca. 6,3×8,3x12cm | ca. 8×10,6x8cm | ca. 14,2×12,7×11 cm |
| Gewicht | ca. 0,9 kg | ca. 1,4 kg | ca. 2,0 kg |
AQUA-VALVE-5
Spannung:
AC220V / AC24V / DC24V / DC12V
Steuerungsmodus: CR02
Ausgangsdrehmoment: 3.5NM
Anschlussende: Rohrgewinde G
Stromverbrauch: 6W
Ein-/Ausschaltzeit: <15S
Schließdifferenzdruck: <0.4Mpa
Mediumtemperatur: 0-100°C
Kabellänge: 15cm
Ventilkörper: Messing
Dichtung:
Silikon-Kautschuk / NBR / EPDM
Sitz: PTFE
Ventilkugel: Messing
AQUA-VALVE-5 BV-SERIE
Spannung:
AC220V / AC24V / DC24V / DC12V
Steuerungsmodus: CR02
Ausgangsdrehmoment:
4NM / 6NM / 8NM
Anschlussende: Rohrgewinde G
Stromverbrauch: 6W
Ein-/Ausschaltzeit: <15S
Nenndruck: Max1.6Mpa
Schließdifferenzdruck: <0.4Mpa
Mediumtemperatur: 0-100°C
Kabellänge: 15cm
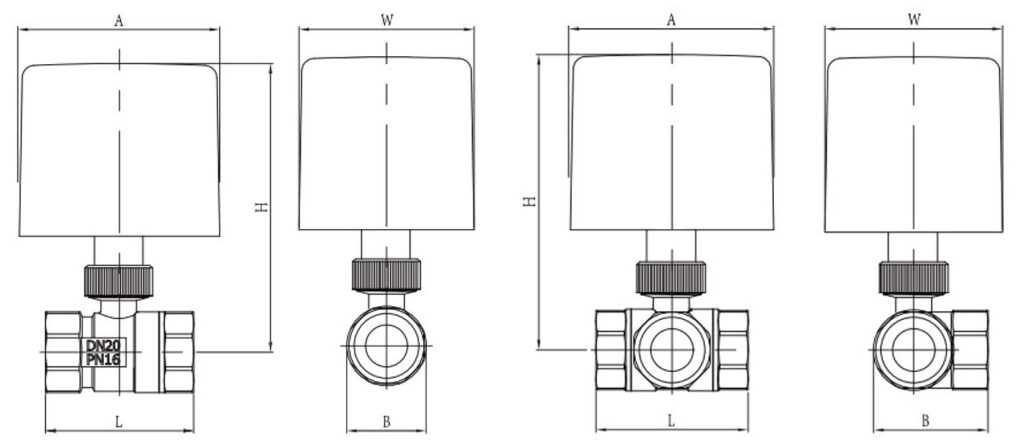
14.1. Abmessungen AQUA-VALVE-5
Messing-Teil
Anschlüsse beider Innengewinde in mm
DN15: d:15 / L:52 / H:30 / W:0,485
DN20: d:17 / L:60,6 / H:50 / W:0,548
DN25: d:23 / L:70 / H:64 / W:0,708
DN32: d:27 / L:75 / H:67 / W:0,92

14.2. Abmessungen AQUA-VALVE-5 BV SERIE

| Typ | Größe | Größe | L (mm) | A (mm) | H (mm) | B (mm) | W (mm) |
|---|---|---|---|---|---|---|---|
| 2-Wege | 1/2″ | DN15 | 49.9 | 90 | 117.5 | 27.6 | 70 |
| „“ | 3/4” | DN20 | 58 | 90 | 121.5 | 34 | 70 |
| „“ | 1” | DN25 | 64.5 | 90 | 115 | 39.5 | 70 |
| „“ | 1 1/4” | DN32 | 74.8 | 90 | 130 | 50.8 | 70 |
| „“ | 1 1/2” | DN40 | 80.5 | 90 | 133.5 | 55.9 | 70 |
| „“ | 2” | DN50 | 94.8 | 90 | 140 | 70.5 | 70 |
| 3-Wege | 1/2” | DN15 | 55.4 | 90 | 117 | 42 | 70 |
| „“ | 3/4” | DN20 | 68.2 | 90 | 120 | 53 | 70 |
| „“ | 1” | DN25 | 76 | 90 | 124 | 59.5 | 70 |
| „“ | 1 1/4” | DN32 | 97.8 | 90 | 134 | 76 | 70 |
| „“ | 1 1/2” | DN40 | 118 | 90 | 146 | 93 | 70 |
14.3. Schaltungsprinzip Aqua-Valve-5
- KONTROLLE
- SCHALTUNG
- ROTES KABEL
- GRÜNES/BLAUES KABEL
- GELBES/SCHWARZES KABEL
- ÖFFNEN
- SCHALTER
- SCHLIESSEN
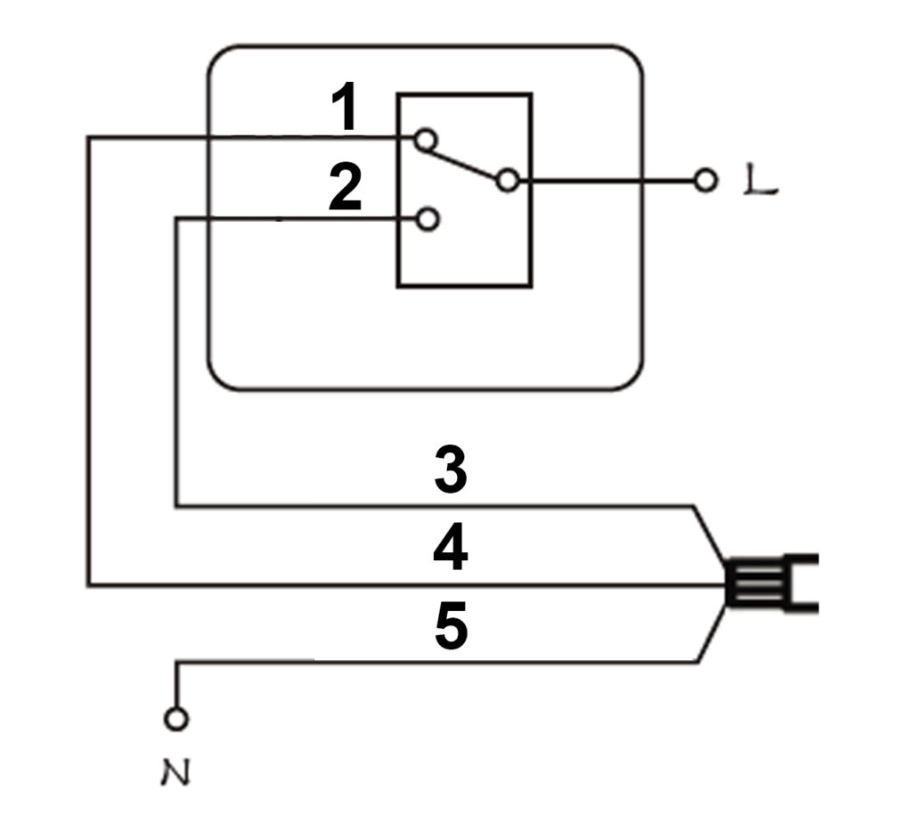
CR02 (dreiadrige Zweipunktsteuerung):
Spannung: AC220V±10% / AC24V / DC24V / DC12V

STELLANTRIEB EXTERNE STEUERUNG (3-8)
- Verbindung von SW zu „OPEN“: Das Ventil öffnet sich und erreicht die Position. Der Motor schaltet sich automatisch aus, und das Ventil bleibt in vollständig geöffneter Position.
- Verbindung von SW zu „CLOSED“: Das Ventil schließt sich und erreicht die Position. Der Motor schaltet sich automatisch aus, und das Ventil bleibt in vollständig geschlossener Position.
14.4. Schaltungsprinzip Aqua-Valve-5 BV Series
- SCHLIESSEN
- ÖFFNEN
- BLAU
- BRAUN
- ZWEIFARBIG
CR02 (dreiadrige Zweipunktsteuerung):
Spannung: AC220V / AC24V / DC24V / DC12V

- Verbindung von SW mit dem blauen Kabel: Das Ventil öffnet sich, erreicht die Position, schaltet automatisch den Strom aus und bleibt in vollständig geöffneter Position.
- Verbindung von SW mit dem braunen Kabel: Das Ventil schließt sich, erreicht die Position, schaltet automatisch den Strom aus und bleibt in vollständig geschlossener Position.
Technische Änderungen, Druckfehler und Irrtümer vorbehalten! Bitte beachte, dass maschinell erstellte Übersetzungen Fehler oder Ungenauigkeiten enthalten können. Im Zweifel gilt die ursprüngliche deutsche Sprachversion als verbindlich.

Amur S.à r.l.
www.amur.lu
Email: info@amur.lu
Tel.: (+49) 0611-9 45 87 76-0
Fax: (+49) 0611-9 45 87 76-11
Für weitere Information SCANNEN!
